سیستم های یک کانالی

ساختار سیستم های یک کانالی

سیستم های یک کانالی به دو نوع کلی سیستم های حجم ثابت و سیستم های حجم متغیر تقسیم می شوند.

1 . سیستم های یک کانالی حجم ثابت

در سیستم های حجم ثابت یک کانالی در عین ثابت بودن مقدار جریان هوا ، درجه حرارت هوای رفت بر اساس مقدار بار فضای تهویه شده ، تغییر می کند.

سیستم های یک منطقه ای : 

ساده ترین سیستم تمام هوا ، دستگاهی است که در آن هوا با یک درجه حرارت در منطقه ها توزیع می شود. این دستگاه را می توان در داخل یا دور از فضای تهویه شده نصب کرد و ممکن است دارای سیستم کانال کشی باشد یا نباشد. با توجه به ظرفیت سیستم و اینکه در برخی اوقات در طول سال از 100 درصد هوای تازه استفاده می شود ، این دستگاه ممکن است دارای فن برگشت هوا یا تخلیه فشار نیز باشد.

سیستم چند منطقه ای با کویل دوباره گرمکن :

سیستم چند منطقه ای با دوباره گرمکن ، تکامل سیستم یک منطقه ای است. با استفاده از این دستگاه :

1 . می توان شرایط درون منطقه ها و فضاهایی که بارهای مشابه ندارند را به طور مستقل و جداگانه کنترل کرد.

2 . فضاهای پیرامونی که در اضلاع مختلف ساختمان قرار دارند را می توان بر حسب نیاز و به طور همزمان سرد و گرم کرد.

3 . همانگونه که از واژه ” دوباره گرمکن ” استنباط می شود ، حرارت طی فرآیند ثانویه به طور همزمان به هوای اولیه تهویه شده و یا هوای در حال گردش درون اتاق اضافه می شود.

یک کویل دوباره گرمکن نسبتا کوچک در کانال کشی هر منطقه نصب می گردد. معمولا در این سیستم ها از هوایی که در یک دستگاه مرکزی سرد می شود و درجه حرارت آن ثابت است استفاده می گردد. با کنترل صحیح درجه حرارت هوای سرد شده می توان مقدار بار دوباره گرم کردن و مصرف انرژی را کاهش داد. در مواردی چون فصل پاییز و بهار که می توان درجه حرارت هوای خروجی از کویل سرمایش را افزایش داد ، باید دقت شود که رطوبت فضای تهویه شده از حد مطلوب بیشتر نگردد.

کنار گذر کردن جریان هوا در سیستم های یک کانالی :

در گونه ای از سیستم های حجم ثابت دارای دوباره گرمکن ، بجای کویل دوباره گرمکن از جعبه کنار گذر استفاده می شود. در این سیستم ، سیستم اولیه از نوع حجم ثابت و سیستم ثانویه از نوع حجم متغیر VAV است. مقدار هوای رفت به فضای تهویه شده بر اساس مقدار بار تهویه مطبوع فضا تغییر می کند و هوای رفت اضافی بدون اینکه از درون اتاق بگذرد ، به کانال هوای برگشت یا محفظه برگشت هوا در سقف بر می گردد. در حالی که این موضوع باعث کاهش مقدار تغذیه هوا به اتاق می گردد ، حجم هوای سیستم ثابت باقی خواهد ماند. در این صورت مقدار گرمایش یا سرمایش دستگاه هواساز نیز به دلیل بیشتر یا کمتر شدن درجه حرارت هوای برگشت ، کاهش خواهد یافت.

استفاده از سیستم های کنار گذر معمولا محدود به تاسیسات کوچک است، یعنی جایی که باید :

1 . روش کنترل درجه حرارت ساده باشد.

2 . مقدار هزینه اولیه متوسط باشد.

3 . صرفه جویی در انرژی از اهمیت کمتری برخوردار باشد.

مطالعه بیشتر درباره هواسازها در این متن ⇐ دستگاه هواساز

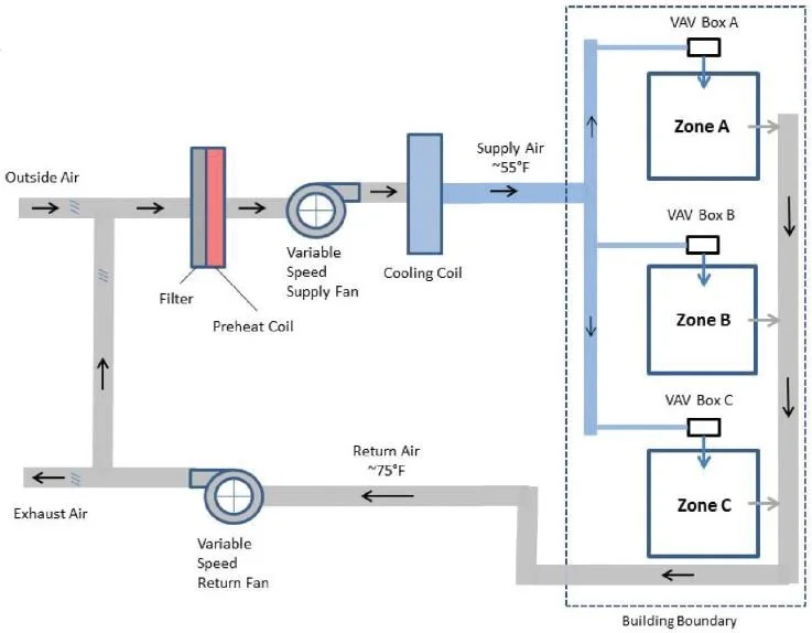
2 . سیستم های یک کانالی حجم متغیر VAV

در سیستم های حجم متغیر VAV ، درجه حرارت داخل فضا با تغییر حجم مقدار تغذیه هوا کنترل می شود ، نه تغییر درجه حرارت آن. در داخل تجهیزات پایانه ای (مصرف کننده مانند دستگاه هواساز یا فن کویل) VAV هر منطقه ، مقدار هوای تغذیه تغییر می کند ولی درجه حرارت آن تقریبا ثابت نگه داشته می شود.

سیستم های حجم متغیر VAV را می توان برای منطقه های داخلی یا پیرامونی ساختمان همراه با فن مشترک یا جداگانه با سیستم مشترک یا جداگانه برای کنترل درجه حرارت و یا تجهیزات گرمایش کمکی یا بدون آن استفاده کرد. بیشترین صرفه جویی انرژی در سیستم های VAV در مورد منطقه های پیرامونی است که به دلیل تغییر مقدار بار خورشیدی و درجه حرارت بیرون ، می توان مقدار هوای تغذیه را کاهش داد.

نمونه ای از تصویر سیستم های یک کانالی حجم متغیر VAV :

سیستم های یک کانالی حجم متغیر VAV

در سیستم های VAV کنترل رطوبت یک مشکل بالقوه است. در مواردی که کنترل رطوبت اهمیت دارد (مثلا در برخی آزمایشگاه های تحقیقاتی ، فرآیندها و غیره) شاید لازم باشد مقدار جریان هوا ثابت نگهداشته می شود. در مواردی چون اتاق کنفرانس که نسبت حرارت محسوس به حرارت کل آن کم است ، باید احتیاط شود زیرا در اینگونه موارد معمولا نقطه تنظیم حداقل جریان جعبه VAV در حدود 50 درصد تنظیم می شود و برای کنترل رطوبت در هنگام کم بودن بار باید از دوباره گرمکن استفاده گردد.

تجهیزات مصرف کننده سیستم VAV دارای پیکربندی های مختلف هستند از جمله :

دارای کویل دوباره گرمکن

در این سیستم ساده VAV ، فرآیند گرمایش در واحد مصرف کننده کامل خواهد شد. این سیستم در مواردی استفاده می شود که در منطقه های داخلی و خارجی نیاز به انعطاف پذیری کامل گرمایش و سرمایش باشد. واحدهای پایانه را بر اساس کمترین مقدار هوا که از قبل تعیین شده است تنظیم می کنند. کمترین مقدار هوا به حدی است که :

1 . بار گرمایشی را برآورده کند.

2 . مقدار حداکثر رطوبت را محدود کند.

3 . مقدار جابجایی هوا در داخل فضا در حد معقول باشد.

4 . هوای تازه لازم را تامین کند.

در سیستم های حجم متغیر مجهز به دوباره گرمکن و در اولین مرحله ، کنترل مقدار جریان هوا کاهش می یابد. در مرحله دوم حرارت به آن افزوده می شود. هزینه بهره برداری این سیستم در مقایسه با سیستم حجم ثابت مجهز به دوباره گرمکن ، به مقدار قابل ملاحظه ای کمتر است زیرا مقدار هوای اولیه ای که باید سرد شود و مقدار هوای ثانویه که باید گرم شود کاهش خواهد یافت.

سیستم های دارای فن

سیستم های دارای فن را می توان به صورت سری یا موازی نصب کرد. در سیستم های با جریان موازی فن در خارج جریان هوای اولیه قرار می گیرد تا بتوان فن را به صورت متناوب استفاده کرد. در واحدهای سری ، فن داخل جریان هوای اولیه نصب می شود و هنگامی که افراد حضور دارند به طور پیوسته کار خواهد کرد. غالبا سیستم های دارای فن (سری یا موازی) را به این دلیل انتخاب می کنند که در هنگام کم شدن مقدار بارها نیز گردش هوای داخل اتاق به حد کافی باشد و بتوان از مزایای سیستم های VAV سود جست.

کانال دوگانه

در سیستم های کانال دوگانه ، دو مسیر تغذیه هوا وجود دارد. یک جریان بارهای سرمایش و گرمایش خارجی را جبران می کند و جریان دیگر سرمایش را در سرتاسر سال تامین خواهد کرد. جریان اول از نوع سیستم حجم ثابت است و درجه حرارت آن فقط با توجه به بارهای خارجی تغییر می کند. در عین حال برای صرفه جویی بیشتر در مصرف انرژی ، غالبا فن هوای اولیه فقط در هنگام قله بارهای سرمایش و گرمایش کار می کند. هنگام محاسبه بار گرمایش در این سیستم باید اثر سرمایشی هوای ثانویه را نیز در نظر گرفت. جریان دیگر (هوای ثانویه) در تمام سال سرد است و حجم آن بر اساس مقدار حرارت حاصل از خورشید ، روشنایی ها ، تجهیزات و تعداد افراد تغییر خواهد کرد. این جریان هر دو فضای داخلی و پیرامونی را تغذیه می کند.

برای انتخاب انواع سیستم های تمام هوا ( سیستم های یک کانالی ، دو کانالی و … ) در اماکن و ساختمان های خود و کسب اطلاعات بیشتر درباره انواع دستگاه های تهویه مطبوع سرمایشی و گرمایشی از جمله دستگاه های GHP و VRF متصل به هواساز ، انواع چیلرها و فن کویل ها ، دستگاه های گرمایشی و سرمایش تبخیری مانند ایرواشر ، اکونوپک ، زنت و سایر سیستم ها و استعلام قیمت آنها با مهندسان ما تماس بگیرید.

مهندس احمدی (تهویه مطبوع ماخ) : 09127675117 – 09194427470

مهندس خورانی (تهویه مطبوع ماخ) : 09191639363

مطالعه بیشتر ⇓

سیستم سرمایش و گرمایش VRF

سیستم تهویه مطبوع GHP

سیستم های تمام هوا

به این متن چند ستاره می دهید؟ (ستاره سمت چپ بیشترین امتیاز را دارد و بدون نیاز به ثبت نام در سایت، می توانید امتیاز دهید)
[کل: 2 میانگین: 1.5]
اشتراک گذاری :

دیدگاهتان را بنویسید

نشانی ایمیل شما منتشر نخواهد شد. بخش‌های موردنیاز علامت‌گذاری شده‌اند *

این فیلد را پر کنید
این فیلد را پر کنید
لطفاً یک نشانی ایمیل معتبر بنویسید.

19 − سیزده =

keyboard_arrow_up
مشاوره و استعلام قیمت